Вимірювання електричних параметрів є важливим у вивченні, розробці та експлуатації електричних і електронних систем. Без точних вимірювань неможливо ні налагодити обладнання, ні забезпечити його безпечну роботу. Прилади для вимірювання електричних величин дозволяють контролювати стан електричних кіл, виявляти несправності та перевіряти правильність роботи пристроїв.
Основні електричні параметри, що вимірюються:
-
Напруга (U) — різниця потенціалів між двома точками кола.
-
Струм (I) — кількість електричного заряду, що проходить через провідник за одиницю часу.
-
Опір (R) — здатність матеріалу протидіяти руху електронів.
-
Потужність (P) — швидкість споживання чи віддачі електроенергії.
-
Частота (f) та фаза змінних сигналів.
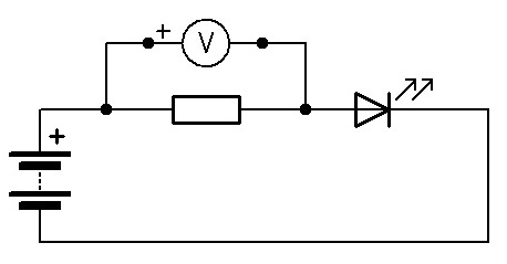
Вольтметр — це прилад для вимірювання електричної напруги між двома точками електричного кола. Він дозволяє визначити, чи відповідає напруга в колі потрібним параметрам, і використовується як у побутових, так і в промислових системах.
Для заміру виводи (щупи) підключаються до точок, між якими потрібно заміряти різницю потенціалів, або падіння напруги. Розрізняють вольтметри змінної напруги та постійної. Виводи приладів постійної напруги "полярні" - мають "плюс" і "мінус" і підключаються до схеми відповідно. На схемах зображається кружечком з літерою "V"

Кожен прилад має межу вимірювання - діапазон значень, які він може виміряти і відобразити. На світлині вище ми бачимо дві шкали на табло - одна показує від -5 до +15, інша від -1 до +3. Даний прилад має три виводи: "мінус" і два "плюси", на яких вказано на яку межу (табло) вони розраховані. Межа обирається в залежності від напруги, яку потрібно заміряти.
Амперметр - прилад для вимірювання сили електричного струму кола або певної ділянки кола. Так само як і вольтметри амперметри бувають постійного і змінного струму, і так само має межу (або межі) вимірювання.
На відміну від вольтметра, амперметр підключається в схему послідовно зі споживачем (або ціпочкою споживачів), на якому необхідно виміряти силу струму, для цього доводиться розривати коло. На схемах амперметр позначається як кружечок з літерою "А".

Зауважте що прилади, які тут зображуються на світлинах класичні - стрілкові. Зараз більшість приладів мають цифровий дисплей замість стрілки і табло. І загалом, вони можуть мати самий різний вигляд і дизайн.
Омметр використовується для вимірювання електричного опору провідників, елементів та ланцюгів. Він допомагає визначити цілісність провідника, відповідність його до опору до вказаного на корпусі, або виявити обрив. Перед вимірюванням схема знеструмлюється (ОБОВ'ЯЗКОВО! Інакше прилад можна пошкодити!). Омметр підключається до виводів пристрою, або до ділянки схеми, опір яких потрібно виміряти. При цьому треба враховувати, що омметр - пристрій активний (подає деяку невелику напругу на схему), а отже треба забезпечити протікання вимірювального струму лише по тій ділянці схеми, яку необхідно заміряти. На схемах омметр зображається як кружечок з літерою Ω (омега). На схемах нижче представлено приклади заміру опору резистора R1. На першому не відключено живлення схеми - це може призвести до виходу з ладу омметру і чутливих елементів схеми. На другому живлення відключено, але вимірювальний струм омметра буде протікати не тільки через R1, а також через паралельну гілку з резисторами R2-R3 (показання приладу будуть невірні).
Мультиметр — універсальний вимірювальний прилад, який поєднує функції вольтметра, амперметра та омметра. Сучасні моделі можуть також вимірювати частоту, ємність, температуру та інші параметри.
Мультиметри бувають дуже різні, але загальні принципи однакові. Є декілька виводів, один з них підписано як COM - це мінус, він підключається для всіх режимів. Є декілька плюсів - один з них основний, підписується якось типу VAΩ (саме він нам потрібний). Коли щупи підключені до відповідних виводів, на перемикачі вибирається режим та межа вимірювання (діапазон). Наприклад, на даному приладі для заміру напруги акумулятора 3,7В (постійний струм) треба переключити на режим V⎓, межа - 20 (так, як зображено на світлині).
Інші виводи "плюси" для окремих випадків. Наприклад, 20A MAX - цей вивід плюса для заміру високого струму (тут до 20А). Так, режими заміру струму з низькою межею (2, 20, 200 міліампер) працюють через загальний вивід, а якщо поставити межу 20 ампер, то треба використовувати 20A MAX. Уважно вивчіть свій прилад перед використанням!

Існує безліч інших приладів, але знайомитись з ними потрібно при вивченні параметрів що вони конкретно вимірюють. Тут же ми розглянули самі основні - для вирішення більшості задач їх достатньо.
